Ríomhphost Linn
Scéal

Tógáil agus Cothabháil Mini Tochaltóirí

Tógáil agus Cothabháil Mini Tochaltóirí


Nuálaíocht Tógála Mini Tochailtí agus Cothabháil Chliste: Comhlacht Beaga ag iompar tionscadail mhóra


1 、 Anailís ar Thógáil Mion -Tochaltóirí: Teicneolaíocht ceithrethoiseach ag athmhúnlú an 'Space Magician'

Fonnadh agus córas siúil:


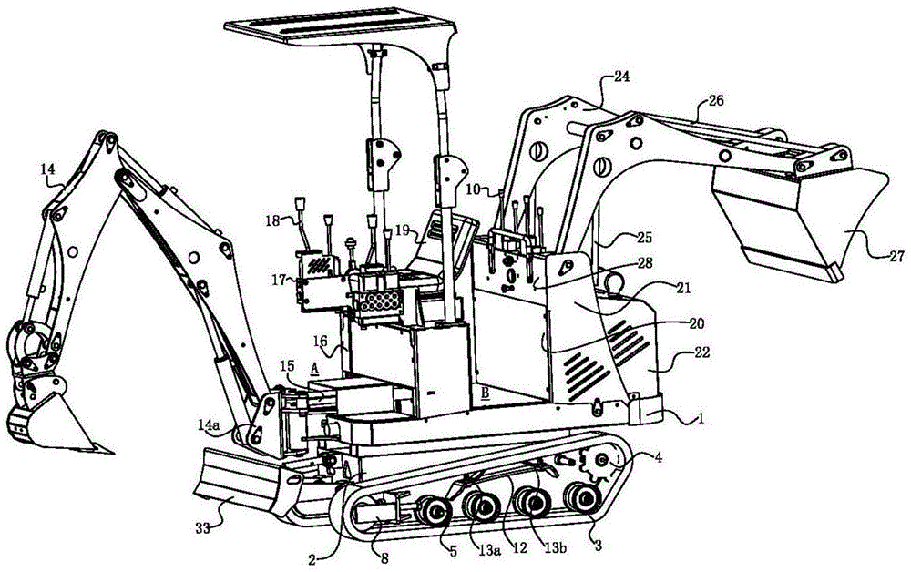
Dearadh casadh Tailless: Glacann samhlacha ar nós Sany Sy18u struchtúr “eireaball eireaball”, le ga eireaball ag casadh ach 0.86 méadar, ag ligean do rothlú 360 ° saor in aisce i dtolláin chúnga gan imbhualadh le ballaí. Ag an am céanna, is féidir lenár dtochaltóir mion 0.8ton ga casadh de 1.1m a bhaint amach freisin, ag ceadú oibriú saor in aisce agus solúbtha i spásanna cúnga.


Fráma rian inchoigeartaithe: Is féidir an tomhsaire rianta a choigeartú go saor (mar shampla Sy16C ag tacú le leathnú agus crapadh 980-1350mm), rud a chiallaíonn go bhfuil sé éasca alleys caol de 1 mhéadar a thrasnú. Tá an brú ar an mbrú rubair chomh híseal le 25kpa, ag cosaint na talún pábháilte.


Féin -bhealaithe imthacaí: Úsáideann an chassis Yanmar imthacaí plaisteacha Iglidur G in ionad imthacaí traidisiúnta liathróidí, atá frith -bhreoiteachta, frith -meirge, agus cothabháil saor in aisce, ag méadú na beatha seirbhíse trí huaire.




Córas cumhachta agus hiodrálacha:


Réabhlóid Cumhachta Dé-Mhód: Glacann an tochaltóir beag Kubota KX019, a thacaíonn le lascadh cliceáil díosail/leictreach, soláthraíonn pacáiste ceallraí 20kWh raon 8 n-uaire, agus tá torann oibríochta faoi dhíon chomh híseal le 66 deicibeil.


Rialú Hiodrálach Chliste: Baineann teicneolaíocht íogair ualach (mar Shengang SK35SR-6) cruinneas dáileacháin sreafa ± 1.8%, luas freagartha gníomhaíochta ilchodach de 0.7 soicind, agus laghdú ar ídiú fuinnimh de 22%.




Trealamh oibre a fheabhsú:


Struchtúr frithsheasmhach a chaitheamh: Tá cóireáil teasa carburizing (cruas HRC55+) ag an gcomhpháirt altach de bhorradh an tochaltóra dhlúth, agus tá an buicéad táthaithe le pláta crua-fhrithsheasmhach Hardox500 (cruas HB500), ag leathnú a shaol seirbhíse faoi 30%.


Paitinn ar an taobh ag gluaiseacht: Baineann Kubota U-15-3s amach diall clé de 595mm/diall ceart de 350mm, agus ní éilíonn tochailt atá suite ar bhalla an corp a bhogadh.


Gléas rothlach, 360 ° Oibriú uileghabhálach, solúbtha chun dul in oiriúint do thimpeallachtaí oibre éagsúla.


Uasghrádú Idirghníomhaíochta Ríomhaireachta Daonna


Rolladh thar chábán frithsheasmhach: Deimhnithe ag ROPS/FOPS (frithsheasmhach in aghaidh 16 tonna de bhrú statach), atá feistithe le suíocháin ar snámh, scáileán tadhaill LCD, agus monatóireacht radhairc AI, ag laghdú spotaí dall 40%.


2 、 Cothabháil agus cothabháil laethúil:

An riail órga maidir le cothabháil laethúil


Bainistíocht ola hiodrálacha: Úsáid ola hiodrálacha frith-chaitheamh Uimh. 68 sa samhradh agus ola slaodachta íseal Uimh. 32 sa gheimhreadh. Seiceáil go rialta glaineacht NAS (≤ Leibhéal 8) chun caidéal agus caitheamh comhla a chosc.


Timthriall líonta ime: Instealladh ramhar gach 10 lá don imthacaí rothlach, agus instealladh ramhar ardbhrú gach 4-8 uair an chloig le haghaidh pointe hinge na feiste oibre chun an seafta bioráin a sheachaint.




Príomh -theicníc síneadh saoil chomhpháirt:


Córas rianta: Coigeartaigh an teannas chun a bheith ró -scaoilte (fiacla léimneach) nó ró -theann (caitheamh luathaithe); Glan an gairbhéal go rialta chun cosc ​​a chur ar mhainneachtain an tséalaithe an roth tacaíochta a chosc.


Cothabháil an "Triantán Iarainn Caith":

Cigireacht bróg a rianú le haghaidh scoilteanna/500h

Tá fiacla sprocket tiomána cothrom ar an talamh agus cuirtear ina n -ionad láithreach iad

Ní mór sceitheadh ​​ola róin rotha támh a dheisiú

De réir staitisticí CAT Stowers, is iad na trí chineál comhpháirteanna seo is cúis le 80% de theipeanna fonnadh.


Treoirlínte chun dálaí oibre an -mhór a láimhseáil:


Oibriú airde ard: Tá cúiteamh cumhachta de 15%ag inneall turbocharged an tochaltóra mhionathraithe, agus tá comhla cúitimh brú ag an gcóras hiodrálach chun caillteanas sreafa a chosc.

Oibríocht Wading Uisce: I dtarrtháil tuile na hIodáile, bhain an HX35AZ nua -aimseartha doimhneacht lagaithe de 0.8 méadar amach trí mhodúl ciorcaid séalaithe.


Caighdeáin stórála fadtéarmacha:


Páirceáil i seomra tirim, tacú leis na rianta chun brú na bunús a laghdú;

Líon an t -umar breosla chun comhdhlúthú a chosc, déan gach sorcóir hiodrálach a tharraingt siar chun dul in aois an tséala a chosc;

Tosaigh uair amháin gach 3 mhí chun cosc ​​a chur ar an mbord ciorcaid tais a fháil.


3 、 Teorainn Teicneolaíoch: Leictriú agus Athstruchtúrú Cliste ar Éiceolaíocht Thionsclaíoch

Réabhlóid Cumhachta:


Ceallraí Modúlach: Tacaíonn Hitachi ZX55U-6EB le déthiomáint cumhachta agus ceallraí tráchtála, le muirear tapa 2 uair an chloig chun 10 n-uaire a oibriú i 6 uair an chloig.


Tástáil fuinnimh hidrigine: Tá inneall breosla hidrigine (HX12) forbartha ag HD Hyundai chun tógáil carbóin nialais a bhaint amach.


Cothabháil tuartha:


Diagnóis iargúlta IoT: Tá córas HI maité feistithe ag Sany SY35U, a dhéanann anailís ar theocht ola agus ar shonraí creathaidh i bhfíor -am, le ráta cruinnis rabhaidh locht de 92%.


Cúnamh Cothabhála AR: Soláthraíonn Kaise Micro Excavator oiliúint oibríochta VR do thochaltóirí beaga, ag ionsamhlú 30 cás locht agus ag feabhsú éifeachtúlacht chothabhála 40%.


4 、 Finné Praiticiúil: Ó Athchóiriú Tí Ársa go Mianadóireacht

Athchóiriú Cónaí Scoláire Ming agus Qing Dynasty i Taizhou: Kubota U-15-3S Chuir tochaltóir beag tochailt trinse píopa faoi thalamh trí áirse 0.85 méadar, agus rinne an fheidhm ghluaiseachta cliathánach an borradh faoi chosaint an bhalla ársa le ráta slán 95%.


Oibríochtaí faoi thalamh ag mianach copair na Sile: tochaltóir dlúth le cab athneartaithe modhnaithe a oibrítear go leanúnach ar feadh 300 uair an chloig gan aon mhífheidhm, agus mar thoradh air sin laghdaítear 23% ar chostais luchtaithe.


Tógáil Bardasach Night Tóiceo: Feidhmíonn an leagan leictreach íon den tochaltóir Mini Sany SY19E go ciúin ag 66 deicibeil, ag réiteach na faidhbe “fuinneog ama tógála” na cathrach.


Conclúid: Tá todhchaí mhór ag corp beag

Ón samhail ultra-tanaí 0.8-tonna go dtí an laoch trom-dualgas 4-tonna, tá tochaltóirí beaga ag dul i léig de thógáil beacht, foinsí fuinnimh éagsúlaithe, agus cothabháil chliste, ag athmhúnlú an paraidím tógála domhanda. Le díolacháin bhliantúla níos mó ná 3100 aonad i margadh na hIndia agus ráta treá measta de 40% do mhótair leictreacha faoi 2025, tá an réabhlóid theicneolaíoch seo ar "úsáid beag le gnóthú mór" i ndán deis órga a nochtadh i margadh Trillion dollar.


Taithí cothabhála tionscail:

Maidir le tochaltóirí dlúth, is é dearadh beachtais an cnámh droma, agus is é cothabháil Chliste an t -atmaisféar tarrthála, ag coigilt costais chothabhála 1 yuan agus ag laghdú costais deisiúcháin faoi 10 yuan.



Nuacht Gaolmhar
Fág teachtaireacht dom
Soghluaiste
Seoladh
Bóthar Changjiang Thiar, Dúiche Huangdao, Cathair Qingdao, Cúige Shandong, an tSín
X
Úsáidimid fianáin chun eispéireas brabhsála níos fearr a thairiscint duit, chun anailís a dhéanamh ar thrácht an tsuímh agus chun inneachar a phearsantú. Trí úsáid a bhaint as an suíomh seo, aontaíonn tú lenár n-úsáid a bhaint as fianáin. Beartas Príobháideachta
Diúltaigh Glac